Диоды кремниевые, эпитаксиально-планарные. Предназначены для применения во вторичных источниках электропитания на частотах 20…200 кГц (2Д231А, 2Д231Б, 2Д251А, 2Д251Б 2Д251В) и 10…200 кГц (2Д231В, 2Д231Г, 2Д251Г, 2Д251Д 2Д251Е). Выпускаются в металлостеклянном корпусе с жесткими выводами. Тип диода и схема соединения электродов с выводами приводятся на корпусе.
Для сборки радиоэлектронного устройства можно преобрески DIY KIT набор по ссылке.
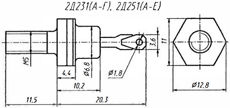
Масса диода не более 8 г.
Электрические параметры
| Постоянное прямое напряжение UПР при IПР = 10 А, Т= +25 ⁰С: | 0,78*…0,85 *…1 В |
| Постоянный обратный IОБР ток при
UОБР= 50 В для 2Д251А, 2Д251Г, UОБР = 70 В для 2Д251Б, 2Д251Д, UОБР = 100 В для 2Д251В, 2Д215Е, UОБР = 150 В для 2Д231А, 2Д231В, UОБР = 200 В для 2Д231Б, 2Д231Г, не более: |
|
| Т= +25 °С и -60 °С: | 50 мкА |
| Т= +125 °С: | 2000 мкА |
| Время обратного восстановления tВОС.ОБР при IОБР.И = 1 А, IПР = 1 А, IОБР = 0,5 А | |
| 2Д231А, 2Д231Б, 2Д251А, 2Д251Б, 2Д251В | 27*…35*…50 нс |
| 2Д231В, 2Д231Г, 2Д251Г, 2Д251Д, 2Д251Е | 40*…60*…100 нс |
Предельные эксплуатационные данные
| Импульсное обратное напряжение UОБР.И | |
| при f= 20…200 кГц: | |
| 2Д251А | 50 В |
| 2Д251Б | 70 В |
| 2Д251В | 100 В |
| 2Д231А | 150 В |
| 2Д231Б | 200 В |
| при f = 10…200 кГц: | |
| 2Д251Г | 50 В |
| 2Д251Д | 70 В |
| 2Д251Е | 100 В |
| 2Д231В | 150 В |
| 2Д231Г | 200 В |
| Средний прямой ток IПР.СР при IПР.И ≤ 3IПР.СР.МАКС,
f = 20…200 кГц для 2Д231А, 2Д231Б, 2Д251А, 2Д251Б, 2Д251В f = 10…200 кГц для 2Д231В, 2Д231Г, 2Д251Г, 2Д251Д, 2Д251Е: В диапазоне температур ТК = +100…+ 125 ⁰С ток снижается линейно. |
|
| Т= -60…Tк = +100 ⁰С | 10 А |
| Tк= +125 °C | 5 А |
| Импульсный прямой ток IПР.И при tи ≤ 10 мс и периоде повторения не менее 3 мин | 15IПР.СР.МАКС |
| Температура окружающей среды Т | -60…TК = +125 ⁰С |
При установке диодов на теплоотвод (шасси) крутящий момент не должен превышать 0,49 Н • м (0,05 кгс • м).
Пайка не резьбового вывода допускается при температуре не свыше +250 °C в течение 5 с.
Допускается параллельное соединение любого числа диодов без применения выравнивающих элементов. При этом суммарный средний прямой ток через диоды не должен превышать 0,7 от суммы максимально допустимых значений средних прямых токов для соответствующей температуры корпуса.

Зависимости прямого тока от напряжения.

Зависимость обратного тока от напряжения.

Зависимость обратного тока от напряжения.

Зависимость общей ёмкости диода от напряжения.
Теория это хорошо, но необходимо отрабатывать это всё практически ПОПРОБОВАТЬ МОЖНО ЗДЕСЬ

